The participants are required to provide solutions that accomplish two tasks:
The participant’s solution must simultaneously minimize six criteria, including:
The participants must also make sure that the junction temperature of each power module will not exceed the maximal operation temperature of 175˚C. Otherwise, there will be a penalty applied.
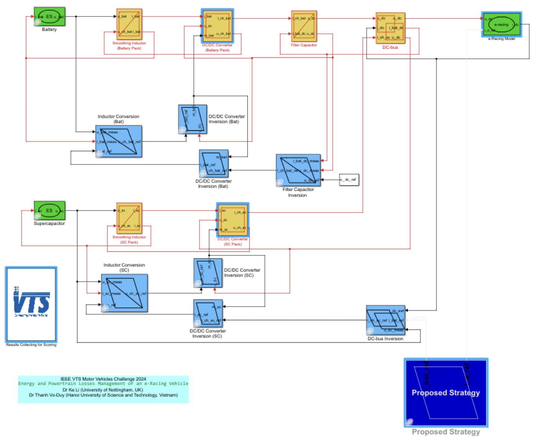
MATLAB/Simulink Simulation Program
Participants of the Challenge will be provided a free-to-use model of the studied vehicle on MATLAB/Simulink, which is then used as a common platform to evaluate submitted solutions fairly. All participating teams will put all parameters of their designed energy storage systems in the given m-file and implement their strategies in the Proposed Strategy block. The participants are not allowed to change anything about the system model and control. The solutions will be scored by using the original files of the organizing team.

Simulation model of the studied vehicle in MATLAB/Simulink